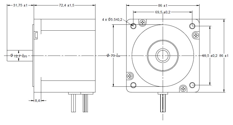
Borstlös DC motor med specifikation spänning 12VDC ström 14,95A varvtal 3200rpm effekt 117W. Motorn har hallelement avsedda för inkoppling med extern drivelektronik. Byggform med cirkulär eller kvadratisk fläns. Samtliga motorer kan kundanpassas efter behov. Vanliga anpassningar är axeldimensioner, kabelanslutningar och kablage. Läs mer här om
kundanpassningar och kontakta oss gärna för ytterligare information.