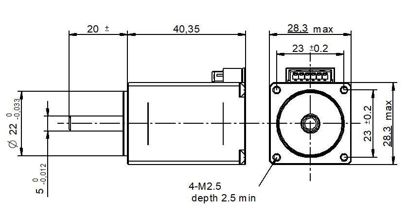
Product name: SHC2840-18-067
Stegmotor med specifikationer stegvinkel 1,8° hållmoment ström 0,67A storlek 28x28mm anslutning Kontakt. Hela vårt stegmotorsortiment omfattar ett sortiment av stegmotorer med stegvinkel mellan 0.9 och 1.8 grader. Hållmoment mellan 0.002-28.00 Nm och flänsstorlekar mellan 20 – 110 mm. Motorerna
finns i standard med kabel- eller kontaktanslutning. Stegmotorsyrningar Transmotec DSH säljs separat, liksom nätaggregat Transmotec LRS. Samtliga motorer kan kundanpassas efter behov och även leverera med växel och encoder. Vanliga anpassningar är axeldimensioner, kabelanslutningar och kablage. Läs mer här om kundanpassningar och kontakta oss gärna för ytterligare information.