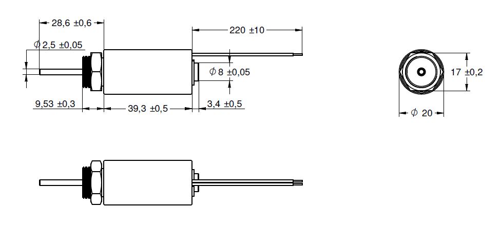
Solenoid, dragmagnet, cylindrisk typ med specifikation spänning 12VDC kraft 5,88N effekt 7W. Dragkraften kan ökas väsentligt med begränsad inkopplingstid och med anslutning till högre drivspänning. Solenoiderna levereras med returfjäder och finns i olika byggformer som öppen, cylindrisk, självhållande och hållmagnetutförande. Samtliga solenoider finns i dragande L eller tryckande S utförande och kan kundanpassas efter behov. Vanliga anpassningar är mekaniska samt kabelanslutningar och kablage. Läs mer här om
kundanpassningar och kontakta oss gärna för ytterligare information.