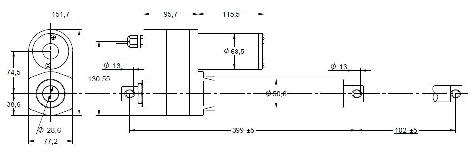
Linjärt ställdon för likspänning med specifikationer spänning 24VDC kraft 6000N ström 7A Ställdonen omfattar ett sortiment med drivspänning mellan 12-24V och kan, beroende på typ, levereras med potentiomenter och justerbara ändlägesbrytare. I dem starkare ställdonen används kulskruv. Tillbehör för montering säljs separat. Samtliga ställdon kan kundanpassas efter behov. Vanliga anpassningar är slaglängd, kabelanslutningar och kablage. Läs mer här om
kundanpassningar och kontakta oss gärna för ytterligare information.