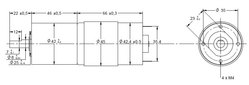
Borstkommuterad planetväxelmotor, DC motor med specifikationer spänning 24VDC ström 2,1A varvtal 47rpm effekt 5,81W . Motorerna omfattar ett sortiment med drivspänningar mellan 2.4-24V och kan även levereras med encoder. EMC avstörning kan erhållas i form av kondensator eller varistor. För vissa typer kan även kolborst eller metallborst väljas. Samtliga motorer kan kundanpassas efter behov. Vanliga anpassningar är axeldimensioner, kabelanslutningar och kablage. Läs mer här om
kundanpassningar och kontakta oss gärna för ytterligare information.